联系电话:010-62535317
010-62624819
技术支持:010-81887377
业务电话:0317-3509666
Email:win-age@126.com
地址:北京市通州区漷县工业开发区17号
河北厂址:河北省沧州市高新区青海大道科技创业园69号1层
 
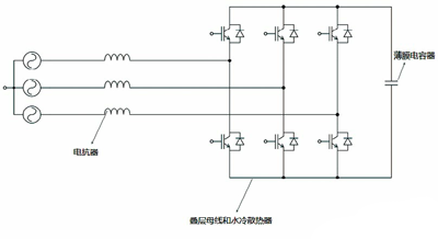
A.有源滤波APF解决方案(见图1)

作用:提高功率因数,可对非线性电压和电流进行补偿,抑制非线性负载对电网的污染。单元结构与特色:电容到IGBT采用叠层母线(BUSBAR)连接低杂散电感;使用寿命长;体积小,结构紧凑;总体成本降低。最小的阻抗、压降;方便安装和现场维护;系统的可靠性高。在方案中对客户的硬件支持:叠层母线(BUSBAR);电抗器/LCL滤波器;水冷板;薄膜电容器等。
B.静止无功发生器(SVG)解决方案说明(见图2)

C. 静止无功发生器(SVG)功能说明
     是一种新兴的高效电网补偿设备,具有无功补偿和非线性补偿、电压波动补偿和共振抑制等功能。一般采用浮点运算控制芯片,往往具备自学习功能,在电网的相应节点上,合理运用智能型有源补偿解决方案,能在很大程度上提高电网的整体稳定性和可靠性。
    并网缓冲电抗器的功能
    是静止无功发生器并网的必备环节,把PWM方式的电压电流波形转变为正弦波,同时抑制交流线路上的过高的Dv/dt和尖峰电压等逆向干扰,保护IGBT器件,提高静止无功发生器的稳定性和可靠性。
    薄膜电容器和直流叠层母线功能
    提供直流支撑,提供无功补偿所需要的瞬间储能和放电的电量缓冲,吸收交流纹波,在IGBT器件关断瞬间,减低由于杂散电感引起的电压过冲,保护IGBT器件。
    水冷散热器的功能
    紧凑高效的散热解决方案,通过水循环带走逆变开关器件的多余热量。
| 我要评论: | |
| 内 容: | |
| 验证码: | (内容最多500个汉字,1000个字符) 看不清?! | 
| 
                             1.尊重网上道德,遵守中华人民共和国的各项有关法律法规,不发表攻击性言论。 2.承担一切因您的行为而直接或间接导致的民事或刑事法律责任。 3.方案留言板管理人员有权保留或删除其管辖留言中的任意内容。  | 
                    


共有-条评论【我要评论】